第三十五讲                                                                               下一讲

学时:2学时

课题:12.5.4 直齿圆柱齿轮传动设计 

目的任务:掌握渐开线直齿圆柱齿轮传动的强度计算方法

重点:渐开线直齿圆柱齿轮传动的强度计算方法

难点:齿面接触疲劳强度公式

教学方法:多媒体

12.5.4 直齿圆柱齿轮传动设计

1.轮齿受力分析和计算载荷 

1)受力分析 

图示一直齿圆柱齿轮在节点P处的受力情况。

不考虑摩擦力,作用在齿面上的法向力Fn可分解为圆周力Ft和径向力Fr。

2)轮齿的计算载荷

     Fnc=KFn     K为载荷系数,参考表选取。

2.齿面接触疲劳强度计算 

齿面点蚀主要于齿面的接触应力的大小有关。

为防止齿面点蚀,应保证齿面的最大接触应力σH不大于齿轮材料的许用接触应力[σH]。

 

式中:σH——齿面最大接触应力(MPa);

      u——传动比,u=z2/z1>1;

       T1——小齿轮所传递的转矩(N.mm);

       K——载荷系数,见表;

       b——齿宽(mm);

       a——中心距(mm);

      ψb——齿宽系数;

      [σH]——齿轮材料许用接触应力(MPa),见表。

应用公式时还应注意下列数据的确定:

1.传动比i

  u<8时可采用一级齿轮传动。若总传动比u为8--40,可分为二级传动;若总传动比u大于40,可分为三级或三级以上传动。

2.齿宽b

  为了安装方便,保证轮齿全齿宽啮合,一般小齿轮齿宽b1应比大齿轮齿宽b2大(5--10)mm。可以认为公式里的齿宽为b2

3.齿宽系数ψb

  一般闭式齿轮传动,ψb=0.2--1.4

4.许用应力[σH]

  一对齿轮啮合时,两齿轮轮齿间的接触应力相等,但许用接触应力一般是不相等的,故应用[σH1]和[σH2]中较小者代入公式计算。

3.齿根弯曲疲劳强度计算 

齿根弯曲疲劳强度计算是为了防止齿根出现疲劳折断。

因此,应保证齿根最大弯曲应力σF不大于齿轮材料的许用弯曲应力[σF]。

 

4.设计步骤和参数选择

设计时已知:齿轮传动的功率、转速、传动比、工作机和原动机的特性;外形尺寸和中心距等特殊限制;寿命、可靠性等。 

设计内容:确定齿轮传动的主要参数、几何尺寸、结构和精度等,并绘制齿轮工作图。 

设计步骤如下: 

1) 确定齿轮的材料和热处理方法 确定出大小齿轮的硬度值和许用应力。 

2) 按疲劳强度条件确定基本参数 

根据齿轮传动设计准则,选择公式(12-11)或公式(12-14)计算基本参数d1或m。 

3) 确定齿数 

确定小齿轮齿数时,首先应满足z1≥17,一般取z1=20~40。转速较高时,取其中较大的值。

按公式z2=iz1计算出z2,并圆整为整数。 

4) 模数 

在满足弯曲强度的条件下取较小的模数。 

5) 齿宽系数 

一般取fd= 0.2~0.4。为了安装方便,一般小齿轮齿宽b1比大齿轮齿宽b2宽(5~10)mm。 

6) 据设计准则校核齿面接触疲劳强度或齿根弯曲疲劳强度 

7) 计算齿轮的几何尺寸 

8) 确定齿轮的结构尺寸 

9) 确定齿轮精度并绘制齿轮工作图

5.结构设计 

齿轮结构设计是合理选择齿轮的结构型式,确定齿轮的轮毂、轮辐、轮缘等各部分的尺寸及绘制齿轮的零件工作图。

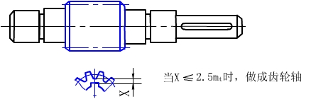
1)齿轮轴

2)实体式齿轮

    当齿轮的齿顶圆直径da≤200mm 时,可采用实体式结构。这种结构型式的齿轮常用锻钢制造。

3)腹板式齿轮

    当齿轮的齿顶圆直径da=200 —500mm时,可采用腹板式结构。这种结构的齿轮多用锻钢制造。

4)轮辐式齿轮

  当齿轮的齿顶圆直径da>500mm时,可采用轮辐式结构。这种结构的齿轮常用铸钢或铸铁制造。

6.齿轮传动的润滑

    润滑对于齿轮传动十分重要。润滑不仅可以减小摩擦、减轻磨损,还可以起到冷却、防锈、降低噪声、改善齿轮的工作状况、延缓齿轮失效、延长齿轮的使用寿命等作用。

润滑方式:

 闭式齿轮传动的润滑方式有浸油润滑和喷油润滑两种,一般根据齿轮的圆周速度确定采用哪一种方式。