China manufacturer and exporter of gear speed reducers
 
   Home >> Products >> NMRV Series Worm-Gear Speed Reducers

NMRV Series
Worm-Gear Speed Reducers
Worm-gear speed reducer
Worm gears with Pre-stage helical unit
Combination worm gear unit


Combination of speed variator and Worm-gear speed reducer
Torque arm
Output shaft and cover
Input flange B5 and unput flange B14


Shaft input worm-gear speed reducer and combination worm gear unit
 
G3 Series
Helical Gear Reducers


Three-phase motor reducer with foot screw
Three-phase motor reducer with flange
Input-flange reducer with foot screw

Input-flange reducer with output flange
Double-shaft reducer with foot screw
Double-shaft reducer with flange


Combination of stepless variator and input-flange reducer with foot screw


Combination of stepless variator and input-flange reducer with flange
 
Show the other products


TSRV Series stainless steel
worm-gear reducers
UDL Series speed variators

TR Series helical geared reducers

DC+NMRV series worm-gear reducers


  Add: ZiGui Plaza WenErXi Road 268
XiHu, HangZhou Zhejiang Province, China
Tel: 0086-571-88220971
       
       
Fax:0086-571-88220972
E-mail: [email protected]

 


Worm gears with Pre-stage helical unit(PC+NMRV)
 

PC063+NMPV040

EVER-POWER Transmission, a manufacturer of variable speed machinery, single reducer, morse gear reducer with advanced technology, is a tower of strength in the field of technique renovation. On design, EVER-POWER adopts the three-dimensioned modeling and the finite element analysis, which has shortened the research circle of products, single reducer, morse gear reducer and guaranteed the reliability of the quality, can provide the transmission resolvable projects with special requirements for the customers much better. The company always promotes the quality improvement endlessly and pursues the target that the customers are satisfied with. It does upmost to meet or exceed the customers' expectation continually and manufactures the high quality products, single reducer, morse gear reducer.
Page 1 of 3



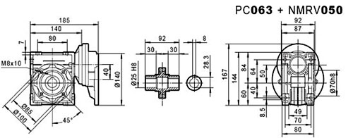
PC063+NMPV050

   single reducer

PC063+NMPV063

morse gear reducer
   
BACK       1     2    3       NEXT
page 1 of 3

Product Description Contents
1. Guide of type selection
2. Technical data
  1) Service factor
2) The admissible radial load on the shaft
3) Efficiency & Irreversibility character
4) Mesh parameter
5) Lubrication
6) Installation
7) Critical application
8) Motor coupling
9) PC features and mounting
10) Mounting positions
11) Direction of rotation
12) Performance parameter

3. Notice for ordering
4. Exploded view & name


 
 
C.©2006 TAIZHOU CITY EVER-POWER VARIABLE-SPEED MACHINERY CO.,LTD All rights reserved.
Designed and Supported by Ever-Power